One of the major visionary goals in current life science research is obtaining a digital 3D reconstruction of the complex neural circuitry of mammalian brain. For this, usually a large number of ultramicrotome cross sections need to be imaged at nanometer resolution. Transmission electron microscopes (TEM), widely-used for imaging biological samples, provide excellent resolution within small imaging fields. However, rather complicated operation and the limited size of the images result in poor efficiency and increase the time required for imaging large areas at high resolution.
To address the challenge of acquiring a large number of high quality serial images at high speed, Carl Zeiss has recently developed a novel approach: “ATLAS™” – a module for AuTomated Large Area Scanning. ATLAS™ combines the scanning transmission electron microscope (STEM) imaging mode (or actually any other detection scheme) of a field emission scanning electron microscope (FE-SEM) with an extremely large digital scan generator and image acquisition system with up to 32 k × 32 k pixels. The combination of FE-SEM based STEM imaging with ATLAS™, a large specimen chamber, stage movement, multiple grid sample holders and the highly automated features available on the Carl Zeiss FE-SEM is a very compelling alternative to conventional TEM imaging.
Given suitable samples, unattended operation can be performed over a period of days. The corresponding application procedure will be introduced and presented here.
Key Features of The ATLAS™
Key features of ATLAS™ include:
	- Full flexibility in selecting different detectors in the FE-SEM for different imaging tasks including the STEM detector for TEM equivalent images.
- Highly automated, multi-site image acquisition process enables unattended operation with automated stage motion, focus, stigmation, brightness and contrast adjustment as required.
- Intelligent scan rotation memory and tiling mechanism ensures the alignment of serial sections and acquisition of multiple images at high resolution within a grid as well as grid to grid.
- Enables the acquisition of flexible image sizes from 1 k × 1 k to 32 k × 32 k pixels.
- Viewer software tailored to efficiently handle multi-gigabyte images.
- Ease of use as well as high efficient output.
Maximum Beam Energy of Field Emission Scanning Eectron Microscope
Imaging of ultramicrotome cross sections with the STEM detector in an FE-SEM is very similar to the image recording in a TEM as both unscattered electrons (brightfield model) and scattered electrons (darkfield model) can be collected. However, resolution in the FESEM is limited only by beam size. The absence of a lens beneath the sample in the FE-SEM eliminates spherical aberrations induced by the scattering angle and chromic aberrations due to energy loss. In the FE-SEM the maximum beam energy is limited typically to 30 kV and there is no need for a CCD or a film camera.
The maximum beam energy of the FE-SEM limits the maximum beam penetration depth which depends on material composition mainly. Heavy metal stained materials like biological samples are ideal candidates for low voltage STEM in the FE-SEM.
Features of Field Emission Scanning Eectron Microscope
The FE-SEM features a digital scan generator and a pixelby- pixel image acquisition system in contrast to the CCD or the film camera in the TEM. One benefit of using the FE-SEM is that modern digital acquisition systems can provide extremely large and – in the case of the ATLAS™ – giga-pixel frame store sizes in a single image.
A typical large-format CCD camera for a TEM only provides 2 k x 2 k, frame store sizes with larger formats are only available at drastically increased cost.
The much larger, high quality digital scanned images obtained from the FE-SEM translate to more efficient tiling for covering very large areas. However, tiling may not be necessary with single images providing a field of view of 60 to 100 microns at 2 or 3 nm pixel resolution.
.jpg)
Fig. 1. The unique arrangement of both brightfield (BF) and darkfield (DF) diodes in the ZEISS Multi-Mode STEM detector. BF and DF electrons can be collected simultaneously and processed together. BF inverted DF is a typical configuration for large fields of view in excess of 100 microns with even illumination.
Resolution in STEM mode can be as high as 0.6 nm with FE-SEM approaching that of the TEM and STEM image quality may actually exceed that of TEM in some aspects (e.g. contrast). A few examples show image quality easily attainable with the FE-SEM in STEM mode in the following.
.jpg)
Fig. 2. The STEM image of 10 nm immunogold labeled rat hypothalamus in Lowicryl HM20 epoxy, no post stain.
.jpg)
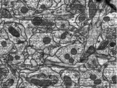
Fig. 3. The STEM image of a myelinated axon sheath in unstained rat hippocampus ultra section with 3 nm spacing.
The ATLAS™ - Arbitrary Scan Generator and Digital Image Acquisition System
The ATLAS™ is an arbitrary scan generator and digital image acquisition system capable of single image storage up to 32 k × 32 k pixels. ATLAS™ provides precise control of beam deflection, dwell time (100 ns increments) as well as higher level filtering and binning algorithms. There is complete control of overall mosaic width, height, pixel size, tile resolution and tile overlap within the ATLAS™ software.
Additionally, ATLAS™ offers control of FE-SEM auto functions such as autofocus, brightness & contrast, beam stigmation and scan rotation memory to ensure nanometer resolution and high image quality over millimeter scales. There are additional functions for real time interrogation of the images, for repeat of specific tiles and even an e-mail server for progress updates to the remote user.
Figure 4 shows the multi sample carousel holder which can be expanded into a 12-sample holder (top), the picture of TEM grid (middle) and a formvar coated slot grid with 17 serial ultra sections (bottom). The very low magnification projection of DF and BF detectors underneath the sample is visible as a dark cross-shape and a central bright circle respectively from the right image.
.jpg)
.jpg)
.jpg)
Fig. 4. The images of a multi sample carousel holder, a TEM grid carousel holder and a formvar slot grid with17 serial ultra sections.
Setting Up and Running Typical ATLAS™ Jobs
A typical ATLAS™ job can be set up within a few hours and then run unattended over a period of days. The mosaic option panel allows definition of the mosaic parameters and auto functions. As shown in Figure 5, the mosaic dimension, single tile pixel size, single tile resolution, dwell time and overlapping area size etc., can be chosen in the initial set-up procedure according to the requirements of the job to be performed. In general, the application procedure of the ATLAS™ is as follows:
	- Load the sample into the FE-SEM. Choose “Create a mosaic” from the ATLAS™ user interface followed by the set-up of “Mosaic Batch Processing” including “Stage Location”, “Mosaic Parameters” and “Auto Functions” etc.
- After defining the mosaic job parameters according to the requirements, the image acquisition will automatically start by simply clicking “Execute”.
- The generated image tiles with high pixel resolution can be handled and stitched by the integrated viewer software.
- The stitched mosaic can be viewed and navigated, output and saved by the viewer with the required resolution.
.jpg)
Fig. 5. The mosaic option panel shows the arbitrary parameter setting and auto functions.
Figure 6 shows a typical single site 6 × 2 mosaic covering one 250 micron wide ultra section. Each of the 12 tiles has a 48-micron field of view, and a single 24 k × 24 k pixel image displays 2 nm pixel resolution.
.jpg)
Fig. 6. The 6 × 2 mosaic image of ultramicrotome cross section of rat hippocampus recorded with STEM detector.
.jpg)
.jpg)
.jpg)
.jpg)
Fig. 7. Rat hippocampus zoom images from a single tile of 24 k × 24 k pixels.
The high pixel density of the single tile can be visualized by continuous zoom-in. A simulated zoom from a single 24 k × 24 k pixels tile illustrates the extreme field of view pixel density capability as shown in Figure 7. For example, here the single tile acquisition time is about 19 minutes and the whole job only takes 3.8 hours. With a 10 megapixel TEM camera, it would take more than 300 images to cover this area at an equivalent pixel resolution, also leading to a correspondingly much greater workload in post-image processing.
Multiple Sites and Multiple Grids
It is possible to do multiple sites within a single grid and repeat the process at multiple sites on multiple grids with the 12-carousel holder shown in Figure 8. Site selection is done manually and performed by the operator prior to an automated run. Simple scan rotation memory at each site ensures alignment of serial sections within a grid as well as grid to grid.
.jpg)
Fig. 8. The configuration of the multi carousel holder with 12 grids inside the stage navigation of “Smart SEM®”.
Software
Once the automated job is finished, the generated image tiles can be viewed and stitched together by the integrated Viewer software to obtain a panoramic image of a large area. The Viewer allows the user to efficiently open, stitch, navigate, output/save and intelligently re-render the large two dimensional datasets produced by ATLAS™.
Summary
FE-SEM based STEM imaging in combination with ATLAS™ is a new high resolution, high throughput imaging technique for tissue samples and provides an alternative to traditional TEM imaging of biological samples. You are no longer limited to only imaging a small area of the sample in high resolution. Here FE-SEM-based STEM in combination with ATLAS™ is a superior solution to large volume image acquisition.
Acknowledgments
We appreciate Dr. Doug Wei and his team for their pioneering ideas and full support in the ATLAS™ development.
John Mendenhall, Center for Learning and Memory, University of Texas at Austin is gratefully acknowledged for providing the samples and significant discussion.

This information has been sourced, reviewed and adapted from materials provided by Carl Zeiss Microscopy GmbH.
For more information on this source, please visit Carl Zeiss Microscopy GmbH.