EPA PS18-compliant NH3 CEMS analyzer: Prevents expensive downtime and penalties.
A central element of the three-phase plan for clean air, the Laser 3 Plus Environmental represents the newest solution for precise ammonia (NH3) measurement within DeNOx processes.
It additionally satisfies all uptime and performance requirements under the US EPA PS18 standard, enabling reliable CEMS monitoring of NH3 as a precursor to harmful particulates.
- Transformation is in the air through revolutionary TDL gas analysis
- Low maintenance, reduced cost-of-ownership
- EPA-compliant CEMS monitoring
Overview
A Fast-Response Measurement for Ammonia Slip
The SERVOTOUGH Laser 3 Plus Environmental represents a breakthrough in Tunable Diode Laser (TDL) Absorption Spectroscopy analysis, offering a compact gas analyzer for in situ cross-stack applications that provides outstanding operational advantages for clean air processes.
Mounted directly inside process ducts, it is well-suited for tracking ammonia slip during NOx reduction operations such as Selective Catalytic Reduction (SCR) or Selective Non-Catalytic Reduction (SNCR), regulating the amount of ammonia slip to between two and three parts per million.
Providing an average measurement of NH3 across the duct, it delivers accurate results even under variable flow conditions. With auto-validation software available to maintain continuous accuracy, the Laser 3 Plus Environmental offers industry-leading installation versatility, as well as cost and performance advantages.
Change is in the Air with Revolutionary TDL Gas Analysis
By integrating the latest hardware advancements with advanced software processing, the SERVOTOUGH Laser 3 Plus represents a transformative step forward for TDL gas analysis in clean air programs for industries worldwide.
Rapid-response ammonia sensing is enabled by sophisticated auto-validation software that maintains continuous accuracy, making the analyzer well-suited for NOx reduction applications. It delivers unmatched installation adaptability, together with substantial cost and performance benefits that support plant and refinery clean air strategies.

Image Credit: Servomex
Low Maintenance, Low Cost-of-Ownership
The next-generation ethos of the Laser 3 Plus actively works to lower costs across all phases.
In addition to the inherent benefits of TDL technology, a non-depleting measurement that requires no sample conditioning system, the Laser 3 Plus's compact design significantly reduces installation time, thanks to its small, lightweight, and intuitive alignment, which enables easy installation and maintenance. It features full Ethernet communications for commissioning, diagnostics, and troubleshooting activities.

Image Credit: Servomex
EPA-Compliant CEMS Monitoring
The dependability of the Laser 3 Plus Environmental, reinforced by its auto-validation software functions, is critical to sustaining uptime greater than 90 %, addressing the regulatory demands of CEMS applications.
It complies with or surpasses all EPA PS18 NH3 requirements (the benchmark for all upcoming regulations for optical-based CEMS analyzers) and will reliably pass field verification testing. Manual or automated daily QA/QC validations may be carried out, with onboard alarms notifying when the analyzer is malfunctioning, undergoing calibration, or exceeding the applicable limit.

Image Credit: Servomex
Features and Benefits
See The Benefits of the Clean Air Strategy
The compact Laser 3 Plus Environmental TDL analyzer is purpose-built for rapid, precise, and responsive ammonia (NH3) measurement within NOx reduction processes.
A Reliable Measurement
Servomex’s proprietary Line Lock cuvette technology, together with auto-validation software, ensures the analyzer continues to deliver dependable ammonia measurement.
Easy to Use
The compact Laser 3 Plus Environmental is easy to install, featuring an intuitive interface and a selection of digital communication options.
Hazardous Area Approvals
The Laser 3 Plus Environmental complies with ATEX, IECEx, and North American hazardous area certifications, and carries IP66 and SIL 2 ratings.
Unrivalled Performance
- Low detection limit
- Process temperatures up to 500°C (application and measurement dependent)
- Auto-validation capability
- Minimal zero drift
- Calibration every six to 12 months
Flexible
- Space-efficient design
- Reduced cross-interference
- Operates in high particulate environments
- Path lengths from 0.7m to 10m
- Diverse mounting: Best suited for ducts, stacks, and reactor installations
Easy to Use
- Easy to install and use
- Durable and dependable
- Space saving
- Digital communications
- Modbus over Ethernet
- User-friendly interface and quick disconnect for effortless calibration
Low Cost of Ownership
- Intuitive alignment supports straightforward installation and maintenance
- No hazardous area purge required
- No moving components, no consumables
- Non-depleting TDL technology
- No sample conditioning system – reduced maintenance costs
Benchmark Compliance
- ATEX, IECEx hazardous area approvals
- Meets EPA Performance Specification 18 for NH3 CEMS
- North American hazardous area Class 1 Div 2
- Certified for gases and dust
- IP66
- CE approved
Specifications
The SERVOTOUGH Laser 3 Plus Environmental provides outstanding TDL capability, with a rapid response for ammonia measurement in DeNOx process applications.
Source: Servomex
| Gas |
Measurement |
| Ammonia (NH3) |
ppm |
Technologies
Certificates
- ATEX Cat 3 (Gases)
- ATEX Cat 21 (Dust)
- IECEx Zone 2 and Zone 21
- CE marked in compliance with ATEX, EMC, LVD, and all other applicable directives
- North American Class 1 Division 2 and Zone 2 (Gas and Dust) pending
- Safe Area / General Purpose
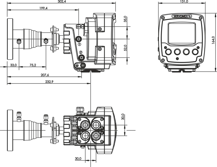
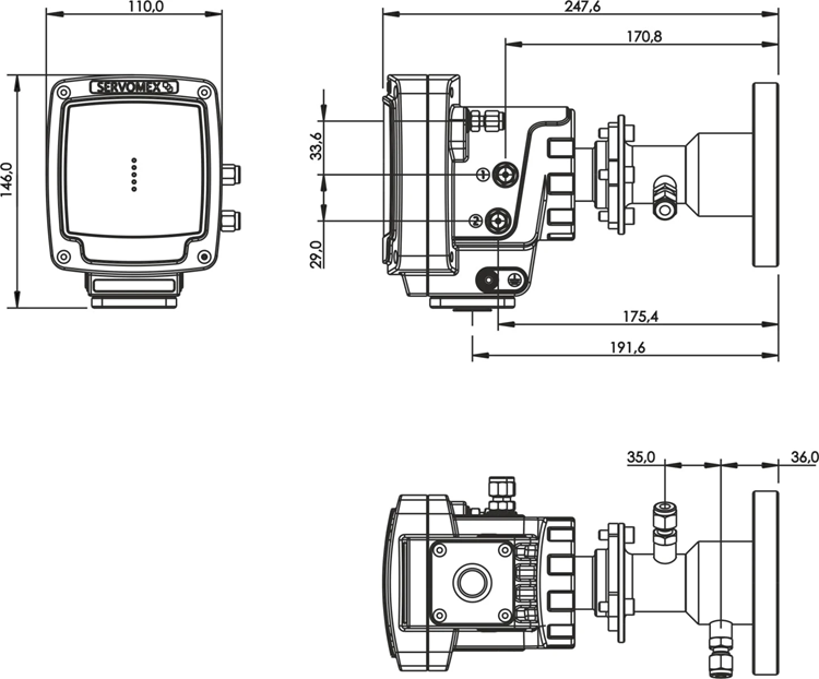
Schematics

Image Credit: Servomex

Image Credit: Servomex
Size
Transmitter: 131mm width (5 1/8”), 164mm high (6 1/2”), 302.4mm deep (11 9/10”)
Receiver: 110mm width (4 5/16”), 146mm high (5 3/4”), 247.6mm deep (9 3/4”)
Weight
Transmitter: < 3.0 kg (6.6 lbs)
Receiver: < 2.0 kg (4.4 lbs)